Бежецкий завод "АСО" - стабильный и надежный производитель компрессорного оборудования.
Отгрузка в регионы: В течение 3 рабочих дней.
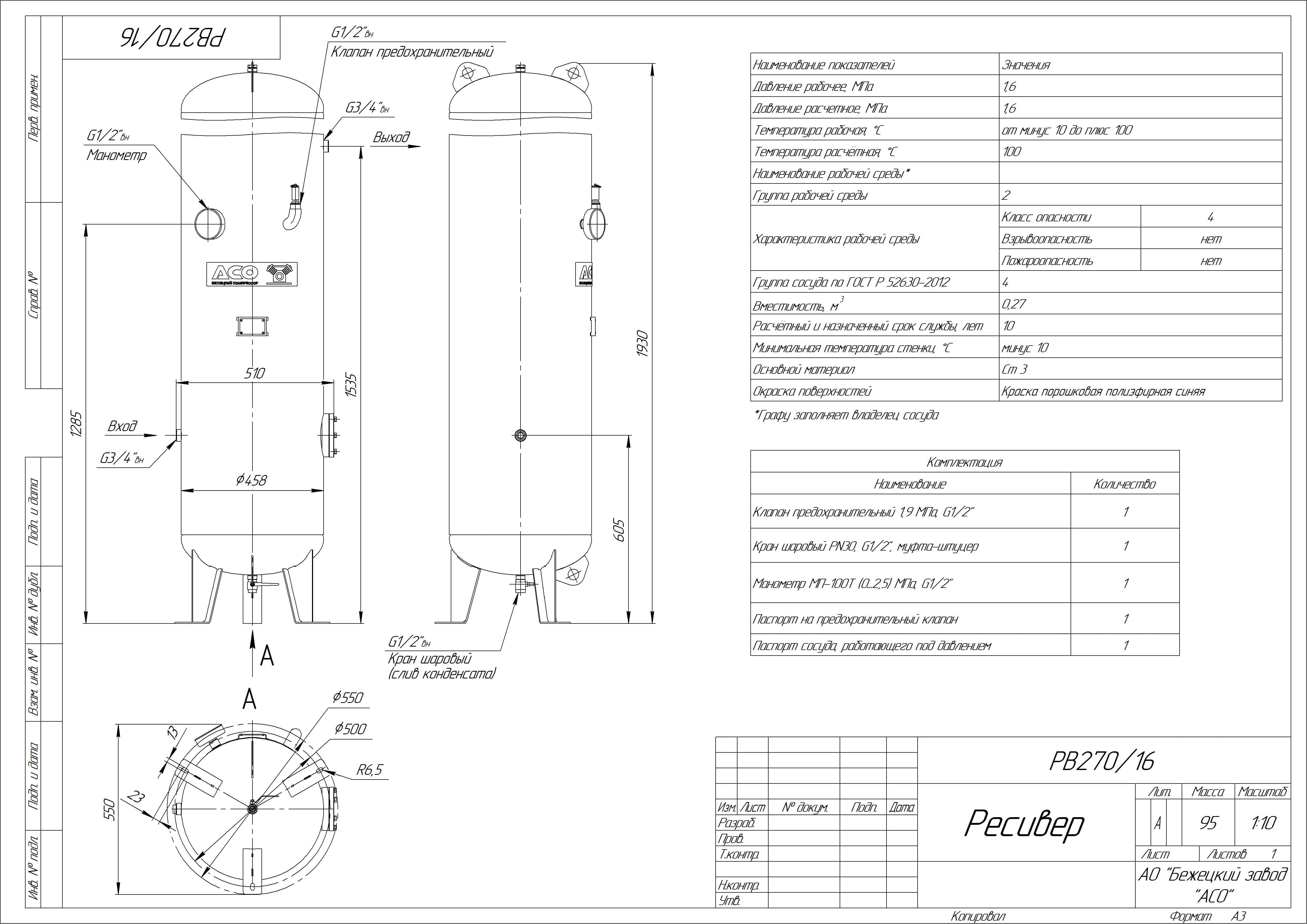
описание
Вертикальный воздушный ресивер РВ 270/16 Бежецкого завода АСО имеет объем 270 л и рассчитан на эксплуатацию при рабочем давлении до 16 атм и температуре от + 5 до + 100 °C, изготовлен из стали Ст3пс. Габариты 51 х 55 х 193 см, масса 95 кг. Наружное покрытие - полиэфирная порошковая краска RAL 5010. Расчетный срок службы - 10 лет. Расчетное число циклов нагружения - 4,9 х 104.Основные функции ресивера РВ 270/16:
- накопление и хранение используемого в технологическом процессе сжатого воздуха;
- стабилизация давления и сглаживание пульсаций воздушного потока в пневматической системе;
- обеспечение работы компрессора в оптимальном для него режиме;
- уменьшение числа перепусков компрессора;
- сбор конденсата и его отвод через пробку для слива;
- охлаждение сжатого воздуха в системе.
Монтаж ресивера
Установка ресивера предполагается на открытых площадках в местах, исключающих скопление людей, или отдельно стоящих зданиях.
Установка ресивера должна обеспечить возможность осмотра, ремонта и очистки его с внутренней и наружной сторон. До начала монтажа необходимо:
- проверить наличие комплекта технической и товаросопроводительной документации;
- комплектность поставки в соответствии с технической и товаросопроводительной документацией;
- проверить общее состояние ресивера на отсутствие повреждений, забоин, вмятин, деформаций, возникших при транспортировании и (или) хранении.
Монтаж ресивера предусматривает:
- установку и выверку ресивера на специальном фундаменте;
- монтаж трубопроводов;
- установку необходимой арматуры, контрольно-измерительных и предохранительных устройств;
- пуско-наладочные работы.
Присоединить воздушную магистраль к ресиверу, исключив возможность возникновения дополнительных напряжений от веса ее и температурных удлинений.
Ресивер должен быть заземлен в соответствии с требованиями ПУЭ.
При вводе в эксплуатацию ресивер не подлежит регистрации в органах Ростехнадзора, так как для сосудов, работающих со средой 2-й группы (согласно ТР ТС 032/2013) при температуре стенки не выше 200°С, произведение значений рабочего давления (МПа) и вместимости (м3) не превышает 1,0 (п.215 ФНП).Для увеличения ресурса ресурса и повышения надежности работы ресивера рекомендован периодический контроль сварных соединений, проверка арматуры, измерительных приборов и предохранительных устройств, а также обследование защитного покрытия и поддержание его в надлежащем состоянии.
Ресивер поставляется в комплекте с манометром, предохранительным клапаном и паспортом сосуда, работающего под давлением. Транспортирование осуществляется любым видом транспорта с учетом требований Правил, действующих для соответствующего вида транспорта. Для упаковки применяются дощатые ящики (обрешетка). Способ хранения должен обеспечивать сохранность качества ресивера, предохранять его от коррозии, загрязнения, механических повреждений и деформации. При сроках хранения более года, при условии хранения в закрытом неотапливаемом помещении, должна быть произведена переконсервация.
| Основные характеристики | |
| max. Давление (бар) | 10 |
| Удаление конденсата | кран слива (ручной) |
| Условия эксплуатации, °C | от -20 до +100 |
| Дополнительные характеристики | |
| Присоединение | 3/4 |
| Страна производства | Россия |
| Габариты и вес | |
| Габариты (ВхШхГ), мм | 1930x550x510 |
| Вес, кг | 95 |
| Информация о ресивере | |
| Объём ресивера, л. | 270 |
| Исполнение ресивера | Вертикальный |
| Сталь марка | Ст3пс |
| Покрытие корпуса | Окрашенный |
| Комплектация | |
| Наличие манометра | есть |
| Предохранительный клапан | есть |
как заказать
- Позвонить нам по бесплатному на территории РФ телефону +7 (831) 280-98-87, Пн. - Чт.: с 8 до 17, Пт.: с 8 до 16. Наши менеджеры проконсультируют и оформят заказ.
- Написать на почту sales@dileks.ru название и количество интересующего товара, либо описание требуемого оборудования и характеристик. Менеджеры проконсультируют, уточнят наличие и пришлют вам всю необходимую информацию.
- Воспользоваться формой обратной связи (чаты доступны по нажатию кнопки в правом нижнем углу), также можно в всплывающем окне заполнить номер телефона, и мы вам перезвоним и ответим на все ваши вопросы в течении 15 минут.
Для покупки товара в нашем интернет-магазине выберите понравившийся товар и добавьте его в корзину. Далее перейдите в Корзину и нажмите на «Оформить заказ» или «Быстрый заказ».
Когда оформляете быстрый заказ, напишите ФИО, телефон и e-mail. Вам перезвонит менеджер и уточнит условия заказа. По результатам разговора вам придет подтверждение оформления товара на почту или через СМС. Теперь останется только ждать доставки и радоваться новой покупке.
Оформление заказа в стандартном режиме выглядит следующим образом. Заполняете полностью форму по последовательным этапам: адрес, способ доставки, оплаты, данные о себе. Советуем в комментарии к заказу написать информацию, которая поможет курьеру вас найти. Нажмите кнопку «Оформить заказ».
- Оплата наличными или банковской картой в нашем офисе. Вы оплачиваете товар в момент самовывоза. Как правило, такой вариант выбирают покупатели небольшого оборудования, которое зачастую присутствует у нас на складе. Покупатель оплачивает товар у нас в офисе, получает товарный чек, и сразу забирает его со склада.
Посмотреть адрес офиса - Оплата в безналичной форме. Возможна как для юридических, так и для физических лиц. После согласования заказа, наш менеджер вышлет Вам на электронную почту счет для оплаты или банковскую квитанцию (для физических лиц). Полный пакет документов (оригинал счета на оплату, счет-фактура, накладная) будет передан Вам вместе с заказом при получении.
- Для всех товаров с наличием кнопки "Купить", доступна оплата с помощью банковской карты*.
Доставка осуществляется по будням с 8:00 до 17:00 часов. Готовность к отгрузке и сроки доставки зависят от времени размещения заказа и наличия товара на складе.
Основной склад нашей компании расположен по адресу: г. Нижний Новгород, ул. Героя Юрия Смирнова, дом 1А.
Дополнительный склад нашей компании расположен по адресу: Люберцы, ул. Мира, д. 8А, склад №7
Если вы из Нижегородской или Московской областей, любой товар можно получить по данному адресу самовывозом, только после согласования наличия у нашего менеджера.
